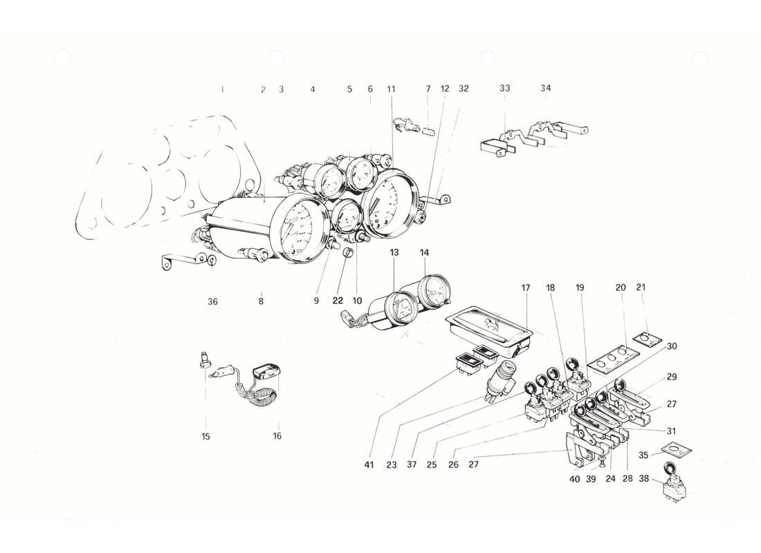
ferrari 208 gtb gts instruments et accessoires schéma des pièces

054 - Instruments et accessoires

Ferrari 208 GTB GTS Instruments and accessories Diagramme des pièces

Consultez le schéma des pièces éclatées pour trouver la pièce que vous recherchez
  • Vous pouvez repositionner le diagramme en le faisant glisser
  • Vous pouvez zoomer et dézoomer sur le diagramme en faisant défiler, en pinçant ou en utilisant le boutonetboutons
  • Vous pouvez réinitialiser le diagramme en utilisant lebouton
Afficher toutes les informations sur le prix et la disponibilité des pièces sur le tableau des pièces À droiteci-dessous
  • Vous pouvez cliquer sur un hotspot dans le schéma des pièces pour localiser la pièce dans le tableau
  • Vous pouvez utiliser le filtre d'options, dans l'onglet Filtre, pour masquer les parties non pertinentes pour votre recherche.
Basculez entre d'autres diagrammes de pièces à l'aide du boutonetboutons, ou utilisez les images du diagramme ci-dessous
Nous vous recommandons de visualiser cette page en orientation paysage pour une meilleure expérience.
Clé de pièce
ST
Pièce en stock
PS
Disponible en jeu de pièces
SS
Remplacement de pièce en stock
PS
Disponible en lot de pièces sur commande (sous réserve de disponibilité)
SO
Pièce disponible sur commande (sous réserve de disponibilité)
PK
Disponible dans un kit de pièces
                                                                                  #
                                                                                  Numéro d'article
                                                                                  Description
                                                                                  Prix
                                                                                  # 001
                                                                                  MPN: 60768200
                                                                                  PIASTIA PORTASTRUMENTI
                                                                                  depuis £220,04
                                                                                  depuis £220,04
                                                                                  Cette pièce remplace le numéro de pièce 60078201
                                                                                  # 002
                                                                                  MPN: 114459
                                                                                  CONTA KM. AVEC AZZEIATORE
                                                                                  depuis £361,82
                                                                                  depuis £361,82
                                                                                  # 003
                                                                                  MPN: 40083701
                                                                                  TÉMOIN D'AVERTISSEMENT ORANGE
                                                                                  depuis £42,16
                                                                                  depuis £42,16
                                                                                  # 004
                                                                                  MPN: 113046
                                                                                  INDICATEUR LIVELLO BENZINA
                                                                                  depuis £92,77
                                                                                  depuis £92,77
                                                                                  Cette pièce remplace le numéro de pièce 60040102
                                                                                  # 004
                                                                                  MPN: 116958
                                                                                  INDICATEUR LIVELLO BENZINA
                                                                                  depuis £271,40
                                                                                  depuis £271,40
                                                                                  # 005
                                                                                  MPN: 113043
                                                                                  TERMOMETRO ACQUA
                                                                                  depuis £132,53
                                                                                  depuis £132,53
                                                                                  Cette pièce remplace le numéro de pièce 60040201
                                                                                  # 005
                                                                                  MPN: 117120
                                                                                  TERMOMETRO ACQUA
                                                                                  depuis £351,35
                                                                                  depuis £351,35
                                                                                  # 006
                                                                                  MPN: 40083602
                                                                                  TÉMOIN D'AVERTISSEMENT JAUNE
                                                                                  depuis £19,38
                                                                                  depuis £19,38
                                                                                  Cette pièce remplace le numéro de pièce 111594 - et 3 plus. Cliquez pour voir les détails
                                                                                  # 007
                                                                                  MPN: 101525
                                                                                  AMPOULE
                                                                                  depuis £2,25
                                                                                  depuis £2,25
                                                                                  Cette pièce remplace le numéro de pièce 101528
                                                                                  # 008
                                                                                  MPN: 60771400
                                                                                  SPIA EMERGENZA ROSSA
                                                                                  depuis £36,14
                                                                                  depuis £36,14
                                                                                  Cette pièce remplace la pièce numéro 40083404 que nous avons en stock - et 1 plus. Cliquez pour voir les détails
                                                                                  # 009
                                                                                  MPN: 113045
                                                                                  INDICATOIE PRESSIONE OLIO
                                                                                  depuis £199,50
                                                                                  depuis £199,50
                                                                                  Cette pièce remplace la pièce numéro 60372505 que nous avons en stock
                                                                                  # 009
                                                                                  MPN: 117122
                                                                                  INDICATOIE PRESSIONE OLIO
                                                                                  depuis £229,90
                                                                                  depuis £229,90
                                                                                  Cette pièce remplace la pièce numéro 113045 que nous avons en stock
                                                                                  # 010
                                                                                  MPN: 104151
                                                                                  REOSTATO LUCI STRUMENTI
                                                                                  # 010
                                                                                  MPN: 117099
                                                                                  REOSTATO LUCI STRUMENTI
                                                                                  depuis £456,68
                                                                                  depuis £456,68
                                                                                  # 011
                                                                                  MPN: 113041
                                                                                  CONTAGIRI ÉLECTRONIQUE
                                                                                  depuis £1 107,00
                                                                                  depuis £1 107,00
                                                                                  Cette pièce remplace le numéro de pièce 108706 - et 1 plus. Cliquez pour voir les détails
                                                                                  # 013
                                                                                  MPN: 113044
                                                                                  INDICATOIE TEMPERATURA OLIO
                                                                                  depuis £132,53
                                                                                  depuis £132,53
                                                                                  Cette pièce remplace le numéro de pièce 60040300
                                                                                  # 013
                                                                                  MPN: 117121
                                                                                  TERMOMETRO OLIO
                                                                                  depuis £309,33
                                                                                  depuis £309,33
                                                                                  # 014
                                                                                  MPN: 113047
                                                                                  OROLOGIE ÉLECTRIQUE
                                                                                  Cette pièce remplace le numéro de pièce 108712 - et 1 plus. Cliquez pour voir les détails
                                                                                  # 015
                                                                                  MPN: 40179301
                                                                                  FICHE DE LAMPE
                                                                                  depuis £47,25
                                                                                  depuis £47,25
                                                                                  Cette pièce remplace le numéro de pièce 4182462 - et 1 plus. Cliquez pour voir les détails
                                                                                  # 016
                                                                                  MPN: 40179202
                                                                                  LUMIÈRE D'URGENCE
                                                                                  depuis £309,75
                                                                                  depuis £309,75
                                                                                  # 017
                                                                                  MPN: 60781300
                                                                                  PORTACENERE CON CAVALLINO
                                                                                  depuis £342,67
                                                                                  depuis £342,67
                                                                                  Cette pièce remplace le numéro de pièce 40114001
                                                                                  # 018
                                                                                  MPN: 60063104
                                                                                  COMMUTATEUR DE VITESSE TEIGI (SENZA POMELLO)
                                                                                  depuis £88,10
                                                                                  depuis £88,10
                                                                                  Cette pièce remplace le numéro de pièce 60053600
                                                                                  # 019
                                                                                  MPN: 40168007
                                                                                  COMMUTATEUR D'ANTENNE
                                                                                  Remplacement
                                                                                  Remplacement
                                                                                  Cette pièce remplace le numéro de pièce 111515 - et 1 plus. Cliquez pour voir les détails
                                                                                  # 020
                                                                                  MPN: 60770800
                                                                                  TARGHETTA IDENTIFICAZIONE INTERRUTTOIE
                                                                                  depuis £49,95
                                                                                  depuis £49,95
                                                                                  # 021
                                                                                  MPN: 60063203
                                                                                  ANTENNE INTERRUPTEUR TARGHETTA
                                                                                  depuis £58,03
                                                                                  depuis £58,03
                                                                                  # 022
                                                                                  MPN: 40302903
                                                                                  DISTANCE POUR REOSTATO
                                                                                  depuis £3,15
                                                                                  depuis £3,15
                                                                                  # 023
                                                                                  MPN: 60603000
                                                                                  ACCENDISIGAI I
                                                                                  depuis £70,17
                                                                                  depuis £70,17
                                                                                  # 024
                                                                                  MPN: 60258704
                                                                                  PONTICELLO LEVA RUBINETTO
                                                                                  depuis £12,53
                                                                                  depuis £12,53
                                                                                  Cette pièce remplace le numéro de pièce 60258734
                                                                                  # 025
                                                                                  MPN: 50322007
                                                                                  1 NTERRUTTORE VENT OLE II SEA IDA MEN TO (SENZA POMELLO)
                                                                                  depuis £104,98
                                                                                  depuis £104,98
                                                                                  Cette pièce remplace le numéro de pièce 61669300
                                                                                  # 026
                                                                                  MPN: 60053600
                                                                                  INTERRUPTION D'URGENCE (SENZA POMELLO)
                                                                                  Remplacement
                                                                                  Remplacement
                                                                                  # 027
                                                                                  MPN: 40136905
                                                                                  LEVIER DE FIXATION DU DÉGIVREUR GAUCHE
                                                                                  depuis £7,25
                                                                                  depuis £7,25
                                                                                  Cette pièce remplace le numéro de pièce 50073402 - et 1 plus. Cliquez pour voir les détails
                                                                                  # 028
                                                                                  MPN: 50073402
                                                                                  SUPPORT DROIT
                                                                                  Remplacement
                                                                                  Remplacement
                                                                                  # 029
                                                                                  MPN: 60548000
                                                                                  DÉMARREUR LEVA
                                                                                  depuis £329,84
                                                                                  depuis £329,84
                                                                                  # 030
                                                                                  MPN: 20166302
                                                                                  LEVA DÉGIVRAGE
                                                                                  depuis £401,51
                                                                                  depuis £401,51
                                                                                  Cette pièce remplace le numéro de pièce 60548100
                                                                                  # 031
                                                                                  MPN: 60548200
                                                                                  LEVIER DE ROBINET DE CHAUFFAGE
                                                                                  Remplacement
                                                                                  Remplacement
                                                                                  Cette pièce remplace le numéro de pièce 60044302
                                                                                  # 032
                                                                                  MPN: 60078003
                                                                                  PERSONNEL INFÉRIEUR FISS. PIASTRE
                                                                                  depuis £11,77
                                                                                  depuis £11,77
                                                                                  # 033
                                                                                  MPN: 60077906
                                                                                  PERSONNEL SUPÉRIEUR SX.
                                                                                  depuis £11,86
                                                                                  depuis £11,86
                                                                                  # 034
                                                                                  MPN: 60077807
                                                                                  STAFFA SUPERIOIE DX.
                                                                                  depuis £11,86
                                                                                  depuis £11,86
                                                                                  # 035
                                                                                  MPN: 60273109
                                                                                  TAIGHETTA PER INTERRUTTORE FENDINEBBIA
                                                                                  depuis £15,41
                                                                                  depuis £15,41
                                                                                  # 036
                                                                                  MPN: 60160801
                                                                                  SPESSORE
                                                                                  depuis £0,85
                                                                                  depuis £0,85
                                                                                  # 038
                                                                                  MPN: 60053709
                                                                                  COMMUTATEUR DE FEUX ANTIBROUILLARD (BOUTON NON INCLUS)
                                                                                  Type à deux broches
                                                                                  depuis £75,00
                                                                                  depuis £75,00
                                                                                  Cette pièce remplace le numéro de pièce 61669200
                                                                                  # 039
                                                                                  MPN: 17671201
                                                                                  LEVIERS DE FIXATION À VIS AUX PONTS
                                                                                  # 040
                                                                                  MPN: 12638101
                                                                                  Rondelle POUR FIXATION DES LEVIERS AUX PONTS
                                                                                  depuis £0,71
                                                                                  depuis £0,71
                                                                                  # 041
                                                                                  MPN: 114633
                                                                                  1 NTERRUTTORE ALZACI ISTALLI PORTE
                                                                                  depuis £63,44
                                                                                  depuis £63,44