ferrari 365 gtc4 (mechanical) pompe à eau et à huile schéma des pièces

016 - Pompe à eau et à huile

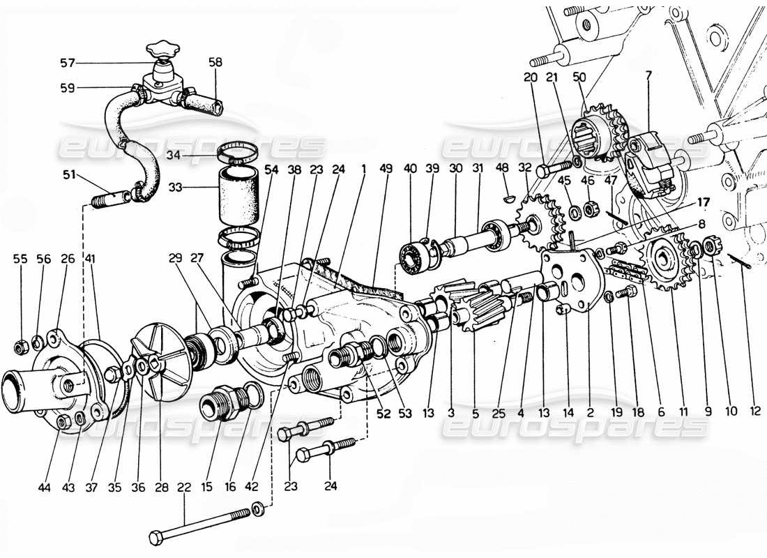
Ferrari 365 GTC4 (Mechanical) Water & Oil pump Diagramme des pièces

Consultez le schéma des pièces éclatées pour trouver la pièce que vous recherchez
  • Vous pouvez repositionner le diagramme en le faisant glisser
  • Vous pouvez zoomer et dézoomer sur le diagramme en faisant défiler, en pinçant ou en utilisant le boutonetboutons
  • Vous pouvez réinitialiser le diagramme en utilisant lebouton
Afficher toutes les informations sur le prix et la disponibilité des pièces sur le tableau des pièces À droiteci-dessous
  • Vous pouvez cliquer sur un hotspot dans le schéma des pièces pour localiser la pièce dans le tableau
  • Vous pouvez utiliser le filtre d'options, dans l'onglet Filtre, pour masquer les parties non pertinentes pour votre recherche.
Basculez entre d'autres diagrammes de pièces à l'aide du boutonetboutons, ou utilisez les images du diagramme ci-dessous
Nous vous recommandons de visualiser cette page en orientation paysage pour une meilleure expérience.
Clé de pièce
ST
Pièce en stock
PS
Disponible en jeu de pièces
SS
Remplacement de pièce en stock
PS
Disponible en lot de pièces sur commande (sous réserve de disponibilité)
SO
Pièce disponible sur commande (sous réserve de disponibilité)
PK
Disponible dans un kit de pièces
                                                                                                                      #
                                                                                                                      Numéro d'article
                                                                                                                      Description
                                                                                                                      Prix
                                                                                                                      # 001
                                                                                                                      MPN: 240713
                                                                                                                      CORPS DE POMPE À HUILE ET EAU
                                                                                                                      depuis £729,75
                                                                                                                      depuis £729,75
                                                                                                                      # 002
                                                                                                                      MPN: 240709
                                                                                                                      COUVERTURE
                                                                                                                      Remplacement
                                                                                                                      Remplacement
                                                                                                                      # 003
                                                                                                                      MPN: 240423
                                                                                                                      ENGRENAGES ENTRAÎNÉS
                                                                                                                      Remplacement
                                                                                                                      Remplacement
                                                                                                                      # 004
                                                                                                                      MPN: 240712
                                                                                                                      PIVOT
                                                                                                                      Remplacement
                                                                                                                      Remplacement
                                                                                                                      # 005
                                                                                                                      MPN: 240736
                                                                                                                      ÉQUIPEMENT DE CONDUITE
                                                                                                                      Remplacement
                                                                                                                      Remplacement
                                                                                                                      # 006
                                                                                                                      MPN: 100303
                                                                                                                      CHAÎNE DE COMMANDE DE POMPE À HUILE ET DE POMPE À EAU
                                                                                                                      depuis £134,85
                                                                                                                      depuis £134,85
                                                                                                                      Cette pièce remplace le numéro de pièce 240711
                                                                                                                      # 007
                                                                                                                      MPN: 114329
                                                                                                                      TENDICATENA
                                                                                                                      depuis £236,84
                                                                                                                      depuis £236,84
                                                                                                                      Cette pièce remplace le numéro de pièce 100304
                                                                                                                      # 009
                                                                                                                      MPN: 92507
                                                                                                                      Rondelle
                                                                                                                      Remplacement
                                                                                                                      Remplacement
                                                                                                                      # 010
                                                                                                                      MPN: 95172
                                                                                                                      NOIX
                                                                                                                      Remplacement
                                                                                                                      Remplacement
                                                                                                                      # 011
                                                                                                                      MPN: 100295
                                                                                                                      INGRANAGGIO CONDOTTO ESTERNO
                                                                                                                      depuis £302,94
                                                                                                                      depuis £302,94
                                                                                                                      Cette pièce remplace le numéro de pièce 240710
                                                                                                                      # 012
                                                                                                                      MPN: 10734400
                                                                                                                      GOUPILLE FENDUE
                                                                                                                      # 013
                                                                                                                      MPN: 100299
                                                                                                                      BUISSON
                                                                                                                      depuis £12,77
                                                                                                                      depuis £12,77
                                                                                                                      # 014
                                                                                                                      MPN: 4146791
                                                                                                                      CHEVILLE DE CENTRAGE
                                                                                                                      # 015
                                                                                                                      MPN: 100305
                                                                                                                      MAMELON POUR SORTIE D'HUILE
                                                                                                                      depuis £22,62
                                                                                                                      depuis £22,62
                                                                                                                      # 016
                                                                                                                      MPN: 10263460
                                                                                                                      joint
                                                                                                                      depuis £0,53
                                                                                                                      depuis £0,53
                                                                                                                      Cette pièce remplace le numéro de pièce 95119
                                                                                                                      # 017
                                                                                                                      MPN: 100300
                                                                                                                      ÉPINGLE
                                                                                                                      depuis £1,69
                                                                                                                      depuis £1,69
                                                                                                                      # 018
                                                                                                                      MPN: 10902431
                                                                                                                      BOULON
                                                                                                                      depuis £3,95
                                                                                                                      depuis £3,95
                                                                                                                      Cette pièce remplace le numéro de pièce 10902430
                                                                                                                      # 019
                                                                                                                      MPN: 12601279
                                                                                                                      Rondelle
                                                                                                                      depuis £0,53
                                                                                                                      depuis £0,53
                                                                                                                      Cette pièce remplace le numéro de pièce 12601271 - et 2 plus. Cliquez pour voir les détails
                                                                                                                      # 021
                                                                                                                      MPN: 11198074
                                                                                                                      Rondelle
                                                                                                                      depuis £0,54
                                                                                                                      depuis £0,54
                                                                                                                      Cette pièce remplace la pièce numéro 11198071 que nous avons en stock - et 4 plus. Cliquez pour voir les détails
                                                                                                                      # 022
                                                                                                                      MPN: 95565
                                                                                                                      BOULON
                                                                                                                      Remplacement
                                                                                                                      Remplacement
                                                                                                                      # 023
                                                                                                                      MPN: 16044821
                                                                                                                      BOULON
                                                                                                                      depuis £0,47
                                                                                                                      depuis £0,47
                                                                                                                      # 024
                                                                                                                      MPN: 11198074
                                                                                                                      Rondelle
                                                                                                                      depuis £0,53
                                                                                                                      depuis £0,53
                                                                                                                      Cette pièce remplace la pièce numéro 11198071 que nous avons en stock - et 4 plus. Cliquez pour voir les détails
                                                                                                                      # 025
                                                                                                                      MPN: 92
                                                                                                                      Clé
                                                                                                                      Remplacement
                                                                                                                      Remplacement
                                                                                                                      # 026
                                                                                                                      MPN: 104328
                                                                                                                      COUVERTURE
                                                                                                                      depuis £846,99
                                                                                                                      depuis £846,99
                                                                                                                      Cette pièce remplace le numéro de pièce 100437 - et 1 plus. Cliquez pour voir les détails
                                                                                                                      # 027
                                                                                                                      MPN: 100431
                                                                                                                      ESPACEUR ENTRE LA ROUE ET LE ROULEMENT
                                                                                                                      depuis £65,04
                                                                                                                      depuis £65,04
                                                                                                                      Cette pièce remplace le numéro de pièce 26760
                                                                                                                      # 028
                                                                                                                      MPN: 26733
                                                                                                                      GIRANTE PER POMPA ACQUA
                                                                                                                      Remplacement
                                                                                                                      Remplacement
                                                                                                                      # 029
                                                                                                                      MPN: 100433
                                                                                                                      BAGUE D'ÉTANCHÉITÉ
                                                                                                                      depuis £69,95
                                                                                                                      depuis £69,95
                                                                                                                      Cette pièce remplace le numéro de pièce 114410
                                                                                                                      # 029
                                                                                                                      MPN: 100433
                                                                                                                      BAGUE D'ÉTANCHÉITÉ
                                                                                                                      (remplace : 26735)
                                                                                                                      depuis £69,95
                                                                                                                      depuis £69,95
                                                                                                                      Cette pièce remplace le numéro de pièce 114410
                                                                                                                      # 030
                                                                                                                      MPN: 26788
                                                                                                                      ESPACEUR INTERMÉDIAIRE
                                                                                                                      Remplacement
                                                                                                                      Remplacement
                                                                                                                      # 031
                                                                                                                      MPN: 26813
                                                                                                                      ARBRE DE VITESSE
                                                                                                                      Remplacement
                                                                                                                      Remplacement
                                                                                                                      # 032
                                                                                                                      MPN: 26814
                                                                                                                      INGRANAGGIO
                                                                                                                      Remplacement
                                                                                                                      Remplacement
                                                                                                                      # 033
                                                                                                                      MPN: 95503
                                                                                                                      MANCHE
                                                                                                                      Remplacement
                                                                                                                      Remplacement
                                                                                                                      # 034
                                                                                                                      MPN: 100441
                                                                                                                      CLIP DU JUBILÉ
                                                                                                                      depuis £4,96
                                                                                                                      depuis £4,96
                                                                                                                      # 035
                                                                                                                      MPN: 100434
                                                                                                                      PLAQUE
                                                                                                                      depuis £7,94
                                                                                                                      depuis £7,94
                                                                                                                      Cette pièce remplace le numéro de pièce 92361 - et 1 plus. Cliquez pour voir les détails
                                                                                                                      # 036
                                                                                                                      MPN: 93798
                                                                                                                      Rondelle
                                                                                                                      Remplacement
                                                                                                                      Remplacement
                                                                                                                      # 037
                                                                                                                      MPN: 92896
                                                                                                                      ÉCROU À CAPUCHON
                                                                                                                      Remplacement
                                                                                                                      Remplacement
                                                                                                                      # 038
                                                                                                                      MPN: 101136
                                                                                                                      BAGUE D'ÉTANCHÉITÉ
                                                                                                                      depuis £19,16
                                                                                                                      depuis £19,16
                                                                                                                      Cette pièce remplace le numéro de pièce 108060
                                                                                                                      # 039
                                                                                                                      MPN: 11059076
                                                                                                                      BAGUE SEEGER
                                                                                                                      depuis £0,69
                                                                                                                      depuis £0,69
                                                                                                                      Cette pièce remplace le numéro de pièce 11059075
                                                                                                                      # 040
                                                                                                                      MPN: 101603
                                                                                                                      PALIER
                                                                                                                      depuis £14,19
                                                                                                                      depuis £14,19
                                                                                                                      Cette pièce remplace le numéro de pièce 114763 - et 1 plus. Cliquez pour voir les détails
                                                                                                                      # 041
                                                                                                                      MPN: 101023
                                                                                                                      BAGUE D'ÉTANCHÉITÉ
                                                                                                                      depuis £4,41
                                                                                                                      depuis £4,41
                                                                                                                      # 042
                                                                                                                      MPN: 26790
                                                                                                                      GOUJON FILETÉ
                                                                                                                      Remplacement
                                                                                                                      Remplacement
                                                                                                                      # 043
                                                                                                                      MPN: 11198074
                                                                                                                      Rondelle
                                                                                                                      depuis £0,54
                                                                                                                      depuis £0,54
                                                                                                                      Cette pièce remplace la pièce numéro 11198071 que nous avons en stock - et 4 plus. Cliquez pour voir les détails
                                                                                                                      # 044
                                                                                                                      MPN: 16100824
                                                                                                                      NOIX
                                                                                                                      depuis £0,53
                                                                                                                      depuis £0,53
                                                                                                                      Cette pièce remplace le numéro de pièce 16100814 - et 1 plus. Cliquez pour voir les détails
                                                                                                                      # 045
                                                                                                                      MPN: 92507
                                                                                                                      Rondelle
                                                                                                                      Remplacement
                                                                                                                      Remplacement
                                                                                                                      # 046
                                                                                                                      MPN: 95172
                                                                                                                      NOIX
                                                                                                                      Remplacement
                                                                                                                      Remplacement
                                                                                                                      # 047
                                                                                                                      MPN: 10734400
                                                                                                                      GOUPILLE FENDUE
                                                                                                                      # 048
                                                                                                                      MPN: 10617120
                                                                                                                      Clé
                                                                                                                      depuis £1,69
                                                                                                                      depuis £1,69
                                                                                                                      Cette pièce remplace le numéro de pièce 92
                                                                                                                      # 049
                                                                                                                      MPN: 147613
                                                                                                                      joint
                                                                                                                      depuis £6,88
                                                                                                                      depuis £6,88
                                                                                                                      Cette pièce remplace le numéro de pièce 100054
                                                                                                                      # 050
                                                                                                                      MPN: 12739
                                                                                                                      ENGRENAGE DE COMMANDE DE POMPE À EAU ET À HUILE SUR LE VILEBREQUIN
                                                                                                                      Remplacement
                                                                                                                      Remplacement
                                                                                                                      # 051
                                                                                                                      MPN: 26812
                                                                                                                      SYNDICAT
                                                                                                                      Remplacement
                                                                                                                      Remplacement
                                                                                                                      # 053
                                                                                                                      MPN: 10263160
                                                                                                                      joint
                                                                                                                      depuis £0,53
                                                                                                                      depuis £0,53
                                                                                                                      Cette pièce remplace le numéro de pièce 92930
                                                                                                                      # 054
                                                                                                                      MPN: 220633
                                                                                                                      GOUJON FILETÉ
                                                                                                                      Remplacement
                                                                                                                      Remplacement
                                                                                                                      # 055
                                                                                                                      MPN: 16100824
                                                                                                                      NOIX
                                                                                                                      depuis £0,53
                                                                                                                      depuis £0,53
                                                                                                                      Cette pièce remplace le numéro de pièce 16100814 - et 1 plus. Cliquez pour voir les détails
                                                                                                                      # 056
                                                                                                                      MPN: 11198074
                                                                                                                      Rondelle
                                                                                                                      depuis £0,54
                                                                                                                      depuis £0,54
                                                                                                                      Cette pièce remplace la pièce numéro 11198071 que nous avons en stock - et 4 plus. Cliquez pour voir les détails
                                                                                                                      # 057
                                                                                                                      MPN: 400112
                                                                                                                      ROBINET SUPPLÉMENTAIRE POUR CHAUFFAGE DROITE ET GAUCHE
                                                                                                                      Remplacement
                                                                                                                      Remplacement
                                                                                                                      # 058
                                                                                                                      MPN: Tubocalore
                                                                                                                      Tubo + 22X12
                                                                                                                      # 059
                                                                                                                      MPN: 95608
                                                                                                                      CLIP DU JUBILÉ
                                                                                                                      depuis £2,66
                                                                                                                      depuis £2,66