ferrari 365 gtc4 (mechanical) circuit d'eau schéma des pièces

017 - Circuit d'eau

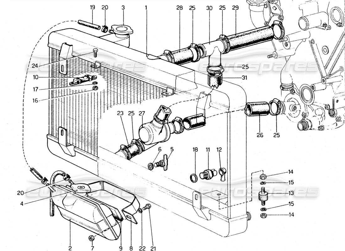
Ferrari 365 GTC4 (Mechanical) Water circuit Diagramme des pièces

Consultez le schéma des pièces éclatées pour trouver la pièce que vous recherchez
  • Vous pouvez repositionner le diagramme en le faisant glisser
  • Vous pouvez zoomer et dézoomer sur le diagramme en faisant défiler, en pinçant ou en utilisant le boutonetboutons
  • Vous pouvez réinitialiser le diagramme en utilisant lebouton
Afficher toutes les informations sur le prix et la disponibilité des pièces sur le tableau des pièces À droiteci-dessous
  • Vous pouvez cliquer sur un hotspot dans le schéma des pièces pour localiser la pièce dans le tableau
  • Vous pouvez utiliser le filtre d'options, dans l'onglet Filtre, pour masquer les parties non pertinentes pour votre recherche.
Basculez entre d'autres diagrammes de pièces à l'aide du boutonetboutons, ou utilisez les images du diagramme ci-dessous
Nous vous recommandons de visualiser cette page en orientation paysage pour une meilleure expérience.
Clé de pièce
ST
Pièce en stock
PS
Disponible en jeu de pièces
SS
Remplacement de pièce en stock
PS
Disponible en lot de pièces sur commande (sous réserve de disponibilité)
SO
Pièce disponible sur commande (sous réserve de disponibilité)
PK
Disponible dans un kit de pièces
                                                          #
                                                          Numéro d'article
                                                          Description
                                                          Prix
                                                          # 001
                                                          MPN: 800265
                                                          RADIATEUR D'EAU
                                                          depuis £2 010,89
                                                          depuis £2 010,89
                                                          # 002
                                                          MPN: 101498
                                                          NOURICE PAR RADIATEUR
                                                          depuis £503,45
                                                          depuis £503,45
                                                          # 003
                                                          MPN: 101484
                                                          BOUCHON DE RADIATEUR
                                                          depuis £23,97
                                                          depuis £23,97
                                                          # 004
                                                          MPN: 101499/A
                                                          BOUCHON DE PRESSION DE RADIATEUR
                                                          Bouchon de radiateur rond (0.7 BAR)
                                                          depuis £10,44
                                                          depuis £10,44
                                                          Cette pièce remplace le numéro de pièce 101499 - et 1 plus. Cliquez pour voir les détails
                                                          # 004
                                                          MPN: 101499/B
                                                          BOUCHON DE PRESSION DE RADIATEUR
                                                          Bouchon de radiateur carré (0.7 BAR)
                                                          depuis £8,93
                                                          depuis £8,93
                                                          # 005
                                                          MPN: 103948
                                                          ROBINET DE VIDANGE DE RADIATEUR M14X1.5MM
                                                          depuis £97,83
                                                          depuis £97,83
                                                          Cette pièce remplace le numéro de pièce 10300640 - et 1 plus. Cliquez pour voir les détails
                                                          # 006
                                                          MPN: 101496
                                                          joint
                                                          depuis £3,50
                                                          depuis £3,50
                                                          # 007
                                                          MPN: 16104411
                                                          NOIX
                                                          depuis £0,53
                                                          depuis £0,53
                                                          # 008
                                                          MPN: 252733/C
                                                          support
                                                          depuis £52,25
                                                          depuis £52,25
                                                          # 010
                                                          MPN: 101497
                                                          ROTULE DE DIRECTION
                                                          depuis £7,22
                                                          depuis £7,22
                                                          Cette pièce remplace le numéro de pièce 20180 - et 1 plus. Cliquez pour voir les détails
                                                          # 011
                                                          MPN: 168008
                                                          THERMO-INTERRUPTEUR
                                                          depuis £49,95
                                                          depuis £49,95
                                                          Cette pièce remplace le numéro de pièce 101507 - et 1 plus. Cliquez pour voir les détails
                                                          # 012
                                                          MPN: 10405385
                                                          COPRIMORSETTO PER RUBINETTO
                                                          depuis £2,74
                                                          depuis £2,74
                                                          Cette pièce remplace le numéro de pièce 100285 - et 2 plus. Cliquez pour voir les détails
                                                          # 014
                                                          MPN: 104030
                                                          ÉCROU AUTO-BLOQUANT
                                                          depuis £0,53
                                                          depuis £0,53
                                                          Cette pièce remplace le numéro de pièce 16104125
                                                          # 015
                                                          MPN: 10519624
                                                          Rondelle
                                                          depuis £0,53
                                                          depuis £0,53
                                                          Cette pièce remplace le numéro de pièce 10519601 - et 3 plus. Cliquez pour voir les détails
                                                          # 016
                                                          MPN: 134041
                                                          NOIX
                                                          depuis £0,59
                                                          depuis £0,59
                                                          Cette pièce remplace le numéro de pièce 15896221
                                                          # 017
                                                          MPN: 6 R 4
                                                          Rondelle
                                                          Remplacement
                                                          Remplacement
                                                          # 018
                                                          MPN: 101508
                                                          joint
                                                          depuis £0,70
                                                          depuis £0,70
                                                          Cette pièce remplace le numéro de pièce 94706
                                                          # 019
                                                          MPN: 95604
                                                          TUBO DAL RADIATORE ALLA NOURICE
                                                          Remplacement
                                                          Remplacement
                                                          # 020
                                                          MPN: 13000190
                                                          COLLIER À VIS
                                                          depuis £0,53
                                                          depuis £0,53
                                                          Cette pièce remplace le numéro de pièce 12178990 - et 1 plus. Cliquez pour voir les détails
                                                          # 021
                                                          MPN: 16043821
                                                          BOULON
                                                          depuis £0,71
                                                          depuis £0,71
                                                          # 022
                                                          MPN: 127496
                                                          Rondelle
                                                          depuis £0,54
                                                          depuis £0,54
                                                          Cette pièce remplace le numéro de pièce 10516671 - et 3 plus. Cliquez pour voir les détails
                                                          # 023
                                                          MPN: 26807
                                                          TUBO GOMME
                                                          Remplacement
                                                          Remplacement
                                                          # 024
                                                          MPN: M6x16-UNl 5739
                                                          BOULON
                                                          # 025
                                                          MPN: 100441
                                                          CLIP DU JUBILÉ
                                                          depuis £4,96
                                                          depuis £4,96
                                                          # 026
                                                          MPN: 100444
                                                          TUYAU DE LA POMPE AU RADIATEUR
                                                          Voir aussi 26787
                                                          depuis £23,63
                                                          depuis £23,63
                                                          Cette pièce remplace le numéro de pièce 26787
                                                          # 026
                                                          MPN: 26787
                                                          TUYAU DE LA POMPE AU RADIATEUR
                                                          Remplacement
                                                          Remplacement
                                                          # 027
                                                          MPN: 106393/A
                                                          thermostat
                                                          depuis £220,73
                                                          depuis £220,73
                                                          Cette pièce remplace le numéro de pièce 106393 - et 1 plus. Cliquez pour voir les détails
                                                          # 028
                                                          MPN: 26806
                                                          MANCHE
                                                          Remplacement
                                                          Remplacement
                                                          # 029
                                                          MPN: 26804
                                                          TUYAU / TUBE / TUYAU
                                                          Remplacement
                                                          Remplacement
                                                          # 030
                                                          MPN: 26808
                                                          SYNDICAT
                                                          depuis £14,33
                                                          depuis £14,33
                                                          # 031
                                                          MPN: 100628
                                                          TUBO
                                                          Voir aussi 26805
                                                          depuis £26,19
                                                          depuis £26,19
                                                          Cette pièce remplace le numéro de pièce 26805
                                                          # 031
                                                          MPN: 26805
                                                          TUYAU / TUBE / TUYAU
                                                          Remplacement
                                                          Remplacement