Pièces Ferrari Enzo

Posséder une Ferrari Enzo est une source de fierté, compte tenu de son statut de supercar emblématique. Pour préserver ses performances optimales, il est essentiel d'utiliser des pièces authentiques et d'origine. Eurospares, premier fournisseur de pièces Ferrari au Royaume-Uni, est la référence pour tous vos besoins en pièces détachées Enzo. Consultez nos schémas de pièces détachées Enzo et laissez-nous vous guider dans la recherche de toutes les pièces et accessoires dont vous avez besoin.

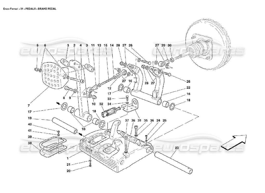
un schéma de pièces du catalogue de pièces ferrari enzo
Enzo

Enzo

La Ferrari Enzo : une légende née

Nommée d'après le fondateur de l'entreprise, Enzo Ferrari, l'Enzo a été développée en 2002. Avec une production limitée à seulement 400 exemplaires, 399 voitures ont été vendues sur invitation auprès des clients existants, notamment ceux qui avaient déjà acheté les F40 et F50 . L'Enzo n'était donc pas accessible à tous. Le modèle final a été offert au Pape en 2005.

L'Enzo était équipée du moteur et de la technologie les plus rapides et les plus sophistiqués de l'époque. À l'instar de la Testarossa originale, l'Enzo présentait des roues au design similaire, mais plus moderne. Les roues étaient maintenues par un seul écrou et elle fut la toute première voiture à être équipée de disques de frein Brembo en carbone-céramique .

Lire la suite >>

L'Enzo était équipée du premier moteur V12 F140 B de nouvelle génération, basé sur le V8 de la Maserati Quattroporte . Avec une cylindrée de 6,0 litres couplée à une boîte-pont à six rapports, double embrayage et palettes au volant, elle développait une puissance impressionnante de 651 ch, propulsant la Ferrari Enzo de 0 à 100 km/h en seulement 3,3 secondes et atteignant une vitesse de pointe de 350 km/h.

Pour garantir au pilote une concentration maximale lors de la conduite de cette bête de voiture, Ferrari a utilisé un nouveau système d'interface homme-machine de style Formule 1 qui a amélioré les capacités des pilotes et leur a permis de se concentrer sur l'obtention de performances maximales sans compromettre la voiture.

Le tableau de bord a été conçu sur mesure pour le conducteur afin d'inclure des fonctionnalités techniques facilement accessibles depuis la poignée du volant et un tableau de bord compact, mixte analogique-numérique, sous la forme d'un écran graphique reconfigurable pour garantir une attention maximale à la conduite.

Le châssis, entièrement réalisé en fibre de carbone et panneaux sandwich en nid d'abeille en aluminium, a permis d'obtenir les résultats escomptés en termes de rigidité, d'allègement et, surtout, de sécurité. Même les sièges, en fibre de carbone, ont été dimensionnés différemment pour garantir une position de conduite idéale, adaptable au style de conduite et à la morphologie de chaque pilote.

Il s'agissait d'une voiture sans compromis, offrant des performances et un contrôle exceptionnels . La partie avant de l'Enzo s'inspirait du nez de la Formule 1, tant par sa forme que par sa fonction, et les flancs composites étaient sculptés pour canaliser le flux d'air et assurer une excellente fluidité interne. L'arrière, dépourvu de grand aileron, bénéficiait de subtiles aides aérodynamiques et d'un effet de sol très efficace.

Si la F50 restera dans l'histoire comme la première voiture à transposer la technologie de la Formule 1 sur la route, c'est l'Enzo qui a privilégié la combinaison des enseignements de la piste et de la route. C'est pourquoi ses solutions de pointe figureront en bonne place sur les futurs modèles Ferrari.

Pièces détachées Enzo en ligne : exploitez les performances optimales

En tant que fier propriétaire d'une Ferrari Enzo, vous savez que l'entretien de cette supercar emblématique nécessite des pièces d'origine de haute qualité. C'est pourquoi Eurospares, fournisseur leader de pièces Ferrari , est votre référence pour tous vos besoins Enzo. Nous proposons une large gamme de pièces d'origine Enzo, des pièces de rechange essentielles aux pièces d'entretien et filtres .

Et ce n'est pas tout. Nous ne nous contentons pas de fournir des pièces ; nous nous engageons à ce que votre expérience Enzo soit exceptionnelle . Nos experts passionnés sont toujours à votre disposition pour vous conseiller sur la manipulation et le montage des pièces et répondre à toutes vos questions techniques.

Consultez les schémas éclatés des pièces de la Ferrari Enzo en ligne pour consulter la liste complète des pièces. Eurospares propose des milliers de pièces d'origine et d'origine pour Ferrari Enzo, dont un moteur Ferrari Enzo , des pièces pour la boîte de vitesses Ferrari Enzo, un échappement Ferrari Enzo Tubi et bien plus encore.

Pièces détachées Ferrari Enzo livrées rapidement

Où que vous soyez – au Royaume-Uni, aux États-Unis, en France, en Allemagne, en Italie, au Japon, à Dubaï, en Australie ou ailleurs dans le monde – Eurospares vous assure une livraison rapide et soignée de vos pièces Ferrari Enzo. Nous investissons dans des matériaux d'emballage de la plus haute qualité et utilisons des méthodes d'emballage professionnelles pour garantir que vos précieuses pièces Ferrari arrivent en parfait état.

Avec Eurospares, vous n'achetez pas seulement des pièces ; vous investissez dans l'avenir de votre Ferrari Enzo . Nous sommes là pour vous aider à préserver le bon fonctionnement de cette supercar légendaire pendant de nombreuses années. Forts de plusieurs décennies d'expérience dans l'expédition de pièces Ferrari de prestige dans le monde entier, nous pouvons expédier tout type de pièces, des pare-brise et panneaux de carrosserie aux écrous, joints et rondelles.

Eurospares: Passionné par la perfection

Chez Eurospares, toute notre équipe est animée par la passion et nos experts sont prêts à vous aider pour toutes vos pièces Enzo. Depuis 1985, nous nous consacrons à fournir à nos clients des pièces Ferrari d'origine à des prix abordables, devenant ainsi un spécialiste de premier plan dans ce domaine. Forts de notre riche expertise et de nos connaissances, nous sommes là pour vous aider.

Besoin d'aide pour trouver une pièce spécifique ou simplement d'un conseil personnalisé ? Rendez-vous sur notre page de contact . Nous serons votre partenaire pièces détachées pour que votre Ferrari Enzo continue de dominer la route et d'émerveiller vos passagers.