Ferrari Testarossa (1990) Diagrammes De Pièces
Préservez la qualité d'origine de votre Ferrari Testarossa (1990) avec notre gamme de pièces de rechange OEM disponibles dans nos schémas détaillés.-part-diagram-001.webp)
001
CARTER
-part-diagram-002.webp)
002
VILEBREQUIN - BIELLES ET PISTONS
-part-diagram-003.webp)
003
CULASSE (DROITE)
-part-diagram-004.webp)
004
CULASSE (GAUCHE)
-part-diagram-005.webp)
005
SYSTÈME DE CHRONOMÉTRAGE - COMMANDES
-part-diagram-006.webp)
006
SYSTÈME DE DISTRIBUTION - SOUPAPES
-part-diagram-007.webp)
007
POMPES À CARBURANT ET TUYAUX
-part-diagram-008.webp)
008
RÉSERVOIRS DE CARBURANT (PAS POUR LES ÉTATS-UNIS – SA ET CH88)
-part-diagram-009.webp)
009
RÉSERVOIRS DE CARBURANT (POUR LES ÉTATS-UNIS – SA ET CH88)
-part-diagram-010.webp)
010
SYSTÈME DE CONTRÔLE DES ÉMISSIONS ANTI-ÉVAPORATIVES (POUR US - SA ET CH88)
-part-diagram-011.webp)
011
CONDUITES DE DISTRIBUTION DE CARBURANT - KE - JETRONIC SYSTEM
-part-diagram-012.webp)
012
COMMANDES ÉLECTRIQUES POUR KE - JETRONIC ET ECHAPPEMENT
-part-diagram-013.webp)
013
SYSTÈME D'INJECTION DE CARBURANT - SOUPAPES ET CONDUITES
-part-diagram-014.webp)
014
POMPE À AIR SECONDAIRE ET CONDUITES (POUR LES ÉTATS-UNIS ET CH88)
-part-diagram-015.webp)
015
INJECTION D'AIR ET CONDUITES (POUR CH87 ET CAT)
-part-diagram-016.webp)
016
COLLECTEURS D'ADMISSION D'AIR
-part-diagram-017.webp)
017
PRISE D'AIR
-part-diagram-018.webp)
018
COMMANDE DES GAZ
-part-diagram-019.webp)
019
SYSTÈME D'ÉCHAPPEMENT (POUR LES VERSIONS B1 À GD1)
-part-diagram-020.webp)
020
SYSTÈME D'ÉCHAPPEMENT (POUR VERSIONS US - SA ET CAT)
-part-diagram-021.webp)
021
SOUFFLER
-part-diagram-022.webp)
022
LUBRIFICATION
-part-diagram-023.webp)
023
LUBRIFICATION - POMPES ET FILTRE À HUILE
-part-diagram-024.webp)
024
REFROIDISSEMENT DU MOTEUR
-part-diagram-025.webp)
025
SYSTÈME DE REFROIDISSEMENT
-part-diagram-026.webp)
026
POMPE À EAU
-part-diagram-027.webp)
027
COMMANDES D'EMBRAYAGE (JUSQU'AU NUMÉRO DE VOITURE : 80094 - 80145 CH - 80176 US)
-part-diagram-028.webp)
028
COMMANDES D'EMBRAYAGE (À PARTIR DE LA VOITURE N° 80095 - 80146 CH - 80177 US)
-part-diagram-029.webp)
029
COMMANDE DE DÉBRAYAGE
-part-diagram-030.webp)
030
BOÎTE DE VITESSES
-part-diagram-031.webp)
031
BOÎTE DE VITESSES - MONTAGE ET COUVERCLES
-part-diagram-032.webp)
032
BOÎTE DE VITESSES
-part-diagram-033.webp)
033
ENGRENAGES DE L'ARBRE PRINCIPAL
-part-diagram-034.webp)
034
ENGRENAGES À ARBRE POSÉ
-part-diagram-035.webp)
035
COMMANDES DE BOÎTE DE VITESSES
-part-diagram-036.webp)
036
ARBRES DE DIFFÉRENTIEL ET D'ESSIEU
-part-diagram-037.webp)
037
SYSTÈME HYDRAULIQUE DE FREINAGE
-part-diagram-038.webp)
038
SYSTÈME DE FREINAGE
-part-diagram-039.webp)
039
ÉTRIERS POUR FREINS AVANT ET ARRIÈRE
-part-diagram-040.webp)
040
COMMANDE DE FREIN À MAIN
-part-diagram-041.webp)
041
BOÎTE DE DIRECTION ET TRINGLERIE
-part-diagram-042.webp)
042
COLONNE DE DIRECTION (JUSQU'AU NUMÉRO DE VOITURE 75995)
-part-diagram-043.webp)
043
COLONNE DE DIRECTION (À PARTIR DE LA VOITURE N° 75997 JUSQU'À LA VOITURE N° 80422)
-part-diagram-044.webp)
044
COLONNE DE DIRECTION (À PARTIR DE LA VOITURE N° 80423)
-part-diagram-045.webp)
045
SUSPENSION AVANT - AMORTISSEUR ET DISQUE DE FREIN (JUSQU'AU NUMÉRO DE VOITURE 75995)
-part-diagram-046.webp)
046
SUSPENSION AVANT - AMORTISSEUR ET DISQUE DE FREIN (JUSQU'AU NUMÉRO DE VOITURE 75997)
-part-diagram-047.webp)
047
SUSPENSION AVANT - TRIANGLES (JUSQU'AU NUMÉRO DE VOITURE 75995)
-part-diagram-048.webp)
048
SUSPENSION AVANT – TRIANGLES (À PARTIR DE LA VOITURE N° 75997)
-part-diagram-049.webp)
049
SUSPENSION ARRIÈRE - DISQUE DE FREIN (JUSQU'AU NUMÉRO DE VOITURE 75995)
-part-diagram-050.webp)
050
SUSPENSION ARRIÈRE - DISQUE DE FREIN (À PARTIR DE LA VOITURE N° 75997)
-part-diagram-051.webp)
051
SUSPENSION ARRIÈRE - TRIANGLES ET AMORTISSEURS (JUSQU'AU NUMÉRO DE VOITURE 75995)
-part-diagram-052.webp)
052
SUSPENSION ARRIÈRE - TRIANGLES ET AMORTISSEURS (À PARTIR DE LA VOITURE N° 75997)
-part-diagram-053.webp)
053
ROUE (JUSQU'AU NUMÉRO DE VOITURE 75995)
-part-diagram-054.webp)
054
ROUE (À PARTIR DE LA VOITURE N° 75997)
-part-diagram-055.webp)
055
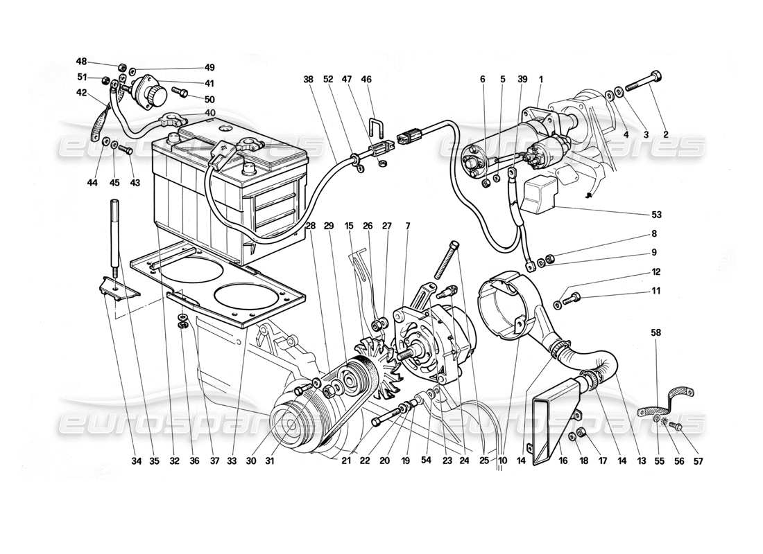
ALLUMAGE DU MOTEUR
-part-diagram-056.webp)
056
GÉNÉRATION ACTUELLE
-part-diagram-057.webp)
057
SYSTÈME DE CONDITIONNEMENT D'AIR
-part-diagram-058.webp)
058
TROUSSE À OUTILS
-part-diagram-059.webp)
059
COMMANDE DE DÉBRAYAGE
-part-diagram-060.webp)
060
SYSTÈME HYDRAULIQUE DE FREINAGE - COMMANDE D'ACCÉLÉRATEUR
-part-diagram-101.webp)
101
CORPS - COMPOSANTS EXTERNES
-part-diagram-102.webp)
102
CORPS - COMPOSANTS INTERNES
-part-diagram-103.webp)
103
CORPS - COMPOSANTS INTERNES
-part-diagram-104.webp)
104
CADRE ARRIÈRE
-part-diagram-105.webp)
105
FINITION EXTERNE
-part-diagram-106.webp)
106
PARE-CHOCS
-part-diagram-107.webp)
107
TAPIS ET PANNEAUX ISOLANTS
-part-diagram-108.webp)
108
CAPOT AVANT
-part-diagram-109.webp)
109
CAPOT ARRIÈRE
-part-diagram-110.webp)
110
PORTE
-part-diagram-111.webp)
111
PORTE - DISPOSITIF DE VERROUILLAGE
-part-diagram-112.webp)
112
PORTE - VITRES ÉLECTRIQUES
-part-diagram-113.webp)
113
VERRE ET FENÊTRES
-part-diagram-114.webp)
114
ACCESSOIRES ET GARNITURES
-part-diagram-115.webp)
115
SIÈGES ET TAPIS
-part-diagram-116.webp)
116
TABLEAU DE BORD (PAS POUR LA VERSION AMÉRICAINE)
-part-diagram-117.webp)
117
TABLEAU DE BORD (POUR LA VERSION AMÉRICAINE)
-part-diagram-118.webp)
118
TUNNEL CENTRAL (PAS POUR LA VERSION AMÉRICAINE)
-part-diagram-119.webp)
119
TUNNEL CENTRAL (POUR LA VERSION AMÉRICAINE)
-part-diagram-120.webp)
120
INSTRUMENTS ET ACCESSOIRES D'HABITACLE (PAS POUR LA VERSION AMÉRICAINE)
-part-diagram-121.webp)
121
INSTRUMENTS ET ACCESSOIRES D'HABITACLE (POUR LA VERSION AMÉRICAINE)
-part-diagram-122.webp)
122
DISPOSITIF DE LEVAGE DE PHARE AVANT
-part-diagram-123.webp)
123
LES LAMPES
-part-diagram-124.webp)
124
SYSTÈME ÉLECTRIQUE
-part-diagram-125.webp)
125
VANNES ET RELAIS
-part-diagram-126.webp)
126
ESSUIE-GLACE, RONDELLE ET KLAXONS
-part-diagram-127.webp)
127
UNITÉ DE CHAUFFAGE
-part-diagram-a.webp)
A