Pièces Lamborghini LM002

Parcourez le catalogue de pièces d'origine LM002 pour trouver toutes les pièces détachées et accessoires nécessaires à votre Lamborghini tout-terrain ! Nous pouvons vous fournir toutes les pièces nécessaires au meilleur prix.

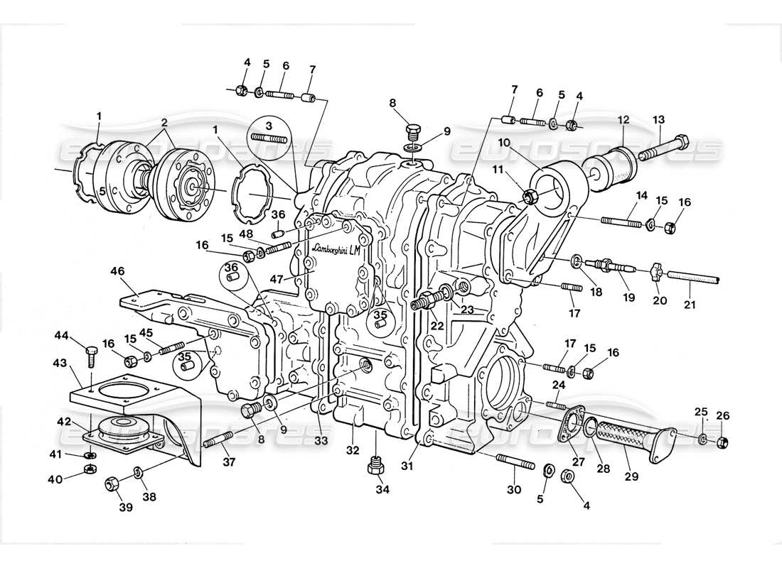
un schéma de pièces du catalogue de pièces lamborghini lm002 (1988)
LM002

LM002 (1988)

Lamborghini LM002 : un mélange de puissance tout-terrain, de luxe et de célébrité hollywoodienne

La LM002, autrement connue sous le nom de « Rambo Lambo », était une création inattendue de Lamborghini. Si la marque est principalement connue pour ses supercars hautes performances fabriquées à la main, la LM002 a révolutionné le marché des SUV tout-terrain.

Basé sur des prototypes conçus à l'origine comme des véhicules militaires, le Cheetah et le LM001, le LM002 a été construit avec un châssis entièrement nouveau, avec un moteur V12 de la Lamborghini Countach placé à l'avant.

Lire la suite >>

Ce véhicule puissant de style mutant de science-fiction est équipé d'un V12 de 5,2 litres qui produit 444 ch et une vitesse d'accélération de 0 à 60 mph de 7,7 secondes, ce qui lui donne près de 300 chevaux de plus et le double de la vitesse d'un Range Rover V8 de 3,5 litres.

Avec seulement 301 exemplaires produits entre 1986 et 1993, la Lamborghini LM002 se classe parmi les SUV les plus rares jamais construits .

Son design est tout à fait distinctif et spectaculaire, d'une beauté à couper le souffle. Ses immenses disques de frein avant ventilés à double étrier et ses tambours arrière de 12 x 3 pouces confèrent à ce véhicule imposant une maîtrise extraordinaire de son volume.

Tous les modèles étaient équipés d'un pack luxe complet comprenant des garnitures intérieures en cuir, des vitres électriques teintées, la climatisation et un système audio haut de gamme intégré à la console de toit. Pirelli a créé des pneus Scorpion sur mesure avec des sculptures à roulage à plat, spécialement conçus pour répondre aux besoins de la LM.

Sa rareté, combinée à son incomparable combinaison de capacités tout-terrain et de performances V12, fait du LM002 l'un des véhicules les plus recherchés et les plus audacieux jamais créés. Il a figuré dans des films tels que Toys (1992), Fast & Furious (2009) ainsi que dans le jeu vidéo Stunts (1990).

Fournisseur leader de pièces détachées pour Lamborghini LM002

Pour trouver des pièces d'origine pour votre rare Lamborghini LM002, nous sommes votre partenaire de confiance. Ce tout-terrain V12 unique exige des composants de la plus haute qualité pour préserver ses performances et son statut emblématique.

Que vous ayez besoin de jantes, de pièces intérieures ou d'articles de réparation essentiels, Eurospares propose une vaste gamme de pièces d'origine et OEM pour la Lamborghini LM002 . Notre stock comprend tout, des filtres à huile aux joints, en passant par les pneus et les tapis de sol . Nous pouvons également fournir des panneaux de carrosserie, des composants internes du moteur et des articles d'entretien .

Pour les projets d'entretien ou de restauration, notre catalogue complet de pièces et nos schémas détaillés en ligne vous permettent de trouver facilement les pièces exactes dont vous avez besoin, garantissant que votre LM002 continue de faire tourner les têtes partout où il va.

Fournisseur mondial de pièces détachées pour Lamborghini LM002

Où que vous soyez dans le monde – Royaume-Uni, États-Unis, France, Allemagne, Italie, Japon, Australie, Dubaï ou ailleurs – notre équipe enthousiaste assure une livraison rapide et sécurisée de vos pièces Lamborghini LM002. Nous investissons dans des matériaux d'emballage de la plus haute qualité et utilisons des méthodes professionnelles pour garantir la livraison de vos précieuses pièces en toute sécurité.

Nous pouvons répondre à tous vos besoins concernant la Lamborghini LM002, en proposant des pièces neuves de haute qualité et des pièces d'occasion soigneusement inspectées. Ce modèle Lamborghini incroyable et unique est rare, mais chez Eurospares, nous avons eu le privilège de travailler en étroite collaboration avec la LM002 et notre expérience pratique avec ce SUV rare renforce notre connaissance des pièces et notre expertise en montage.

Consultez les schémas de pièces en ligne pour trouver les pièces dont vous avez besoin, ou consultez la vitrine des pièces . Vous pouvez également effectuer une recherche par référence en haut de cette page ou nous contacter directement pour une assistance personnalisée.

Eurospares: Préserver les légendes depuis 1985

Chez Eurospares, notre passion pour les pièces automobiles de luxe et classiques nous anime depuis 1985. En tant que propriétaires et passionnés de Lamborghini, nous comprenons l'importance d'entretenir votre Lamborghini LM002 avec les meilleures pièces disponibles, garantissant qu'elle reste un véhicule précieux et performant pour les années à venir.

Notre équipe de spécialistes des supercars s'engage à vous offrir un service exceptionnel et des conseils d'experts. Faites confiance à Eurospares pour tous vos besoins en pièces détachées Lamborghini et bénéficiez d'un service inégalé, de prix bas et d'une livraison rapide dans le monde entier.