Pièces détachées Lamborghini Urraco

Découvrez la gamme complète de pièces Lamborghini Urraco en ligne sur Eurospares. Sélectionnez votre modèle pour consulter les schémas de pièces en ligne et trouver la pièce et l'accessoire dont vous avez besoin pour votre V8 vintage exceptionnel.

un schéma de pièces du catalogue de pièces lamborghini urraco p250 / p250s
Urraco

Urraco P250 / P250S

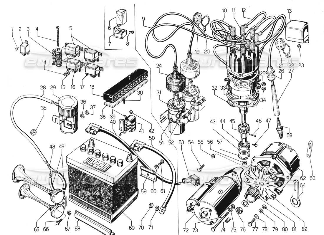
un schéma de pièces du catalogue de pièces lamborghini urraco p300
Urraco

Urraco P300

La Lamborghini Urraco : une icône V8 des années 1970

Les années 70 ont été marquées par des tensions sociales liées à la crise pétrolière, mais elles ont également donné naissance à l'une des créations les plus fascinantes de Lamborghini. L'Urraco, qui signifie « petit taureau », a été présentée comme une alternative plus accessible aux modèles phares à moteur V12.

Conçu par Marcello Gandini chez Bertone, il présentait un profil en coin pointu et une disposition compacte 2+2 qui reflétait la vision de Lamborghini d'une GT plus pratique.

Lire la suite >>

Conçue pour concurrencer des modèles comme la Porsche 911 , la Maserati Merak et la Ferrari Dino , elle marqua la première incursion de Lamborghini dans le monde des moteurs V8 centraux. Plusieurs versions furent produites, notamment la P250 et la P300 .

La P250, propulsée par un V8 de 2,5 litres développant 220 chevaux, devint la version la plus populaire avec 520 exemplaires construits. La P300 suivit avec un moteur de 3,0 litres plus puissant, une suspension révisée et une maniabilité améliorée. Elle reçut également une carrosserie modernisée, avec des phares avancés et un capot redessiné avec six ailettes de refroidissement au lieu de deux. L'intérieur était plus épuré et raffiné, entièrement construit en interne à Sant'Agata.

De 1973 à 1979, 791 Urraco ont été produites. Les versions destinées au marché américain, contraintes par la réglementation sur les émissions, ont été déréglées et se distinguent par de légères différences extérieures. Le V8 de l'Urraco a notamment été l'un des premiers moteurs Lamborghini à être usiné à l'aide de fraiseuses à commande numérique, un précurseur des techniques de production CNC modernes .

L'ADN de l'Urraco ne s'arrête pas à son emblème. Sa plateforme est ensuite devenue la base de la Lamborghini Silhouette et de la Jalpa , la plaçant comme le fondement de la lignée V8 de Lamborghini qui allait porter la marque jusque dans les années 1980.

Ces Lambo GT 4 places sont aujourd'hui très prisées des collectionneurs, avec de beaux exemplaires vendus à des prix élevés. Vous n'en verrez probablement pas sur la route, mais leurs propriétaires ont tendance à les emmener aux salons automobiles. Prenez donc le temps d'admirer l'intérieur raffiné et le charme de cette icône italienne si désirable.

Pièces d'origine et OEM Lamborghini Urraco disponibles

Pour toute information sur les pièces détachées Lamborghini Urraco, contactez notre équipe disponible et compétente. Notre vaste gamme de pièces à vendre comprend des interrupteurs et des jauges pour l' intérieur du tableau de bord , des filtres et des raccords pour la pompe à huile , un kit d'embrayage Urraco complet et bien plus encore.

Nous proposons l'une des plus vastes gammes de pièces Lamborghini d'origine et OEM en ligne . Nos entrepôts regorgent de pièces détachées, chacune étant cataloguée par référence fabricant (MPN). Nous pouvons vous conseiller sur toutes les pièces disponibles, des articles d'entretien courant aux panneaux de carrosserie et listes de courses pour vos projets de restauration.

Choisissez votre modèle ci-dessus pour consulter le catalogue de pièces et les schémas en ligne afin de trouver la pièce exacte dont vous avez besoin. Vous pouvez également parcourir une sélection de pièces en stock dans notre vitrine en constante évolution.

Fournisseur expérimenté de pièces détachées pour Lamborghini Urraco

Depuis plus de 40 ans, nous gérons et fournissons toute la gamme de pièces détachées pour Lamborghini. Nous avons également acquis une expérience pratique avec l'emblématique Urraco grâce à notre service interne de démontage de voitures. Nos techniciens se rapprochent alors de la voiture exotique hors d'usage et la démontent avec passion de toutes ses pièces fonctionnelles. Pour découvrir les détails et les photos des Lamborghini que nous avons démontées, veuillez consulter notre page de pièces détachées Lamborghini d'occasion .

Une fois que vous avez trouvé les pièces Urraco dont vous avez besoin, nous nous chargeons de vous les livrer dans les plus brefs délais. Pour les pièces en stock, nous proposons une livraison le lendemain au Royaume-Uni, aux États-Unis, en France, en Allemagne et en Italie. Les livraisons vers l'Australie, Dubaï, le Japon et d'autres pays sont effectuées en seulement deux jours .

Chaque commande est emballée avec professionnalisme par notre équipe de passionnés de supercars, qui utilise exclusivement des matériaux de la plus haute qualité, garantissant ainsi la protection de vos précieuses pièces tout au long de leur trajet. Nous pouvons emballer en toute sécurité n'importe quelle pièce, du plus petit calculateur et actionneur aux carrosseries et pare-brises complets.

De plus, notre équipe dédiée d'experts en pièces détachées est à votre disposition pour vous offrir une assistance complète et un service après-vente. Que vous ayez besoin d'aide pour la gestion des pièces, leur montage ou l'approvisionnement de pièces, nous sommes là pour vous accompagner à chaque étape.

Expédition de pièces dans le monde entier depuis 1985

L'équipe Eurospares livre des pièces et accessoires automobiles de luxe à des clients du monde entier depuis 1985. Notre vaste stock et notre riche expérience nous permettent de fidéliser nos clients. Nous sommes fiers de notre réputation de qualité et de fiabilité. Pour toute assistance, n'hésitez pas à contacter notre équipe d'experts en pièces détachées pour un service professionnel personnalisé.