Pièce approuvée
EUROSPARES ROBINET DE COMMANDE D'EAU DE CHAUFFAGE DROITE

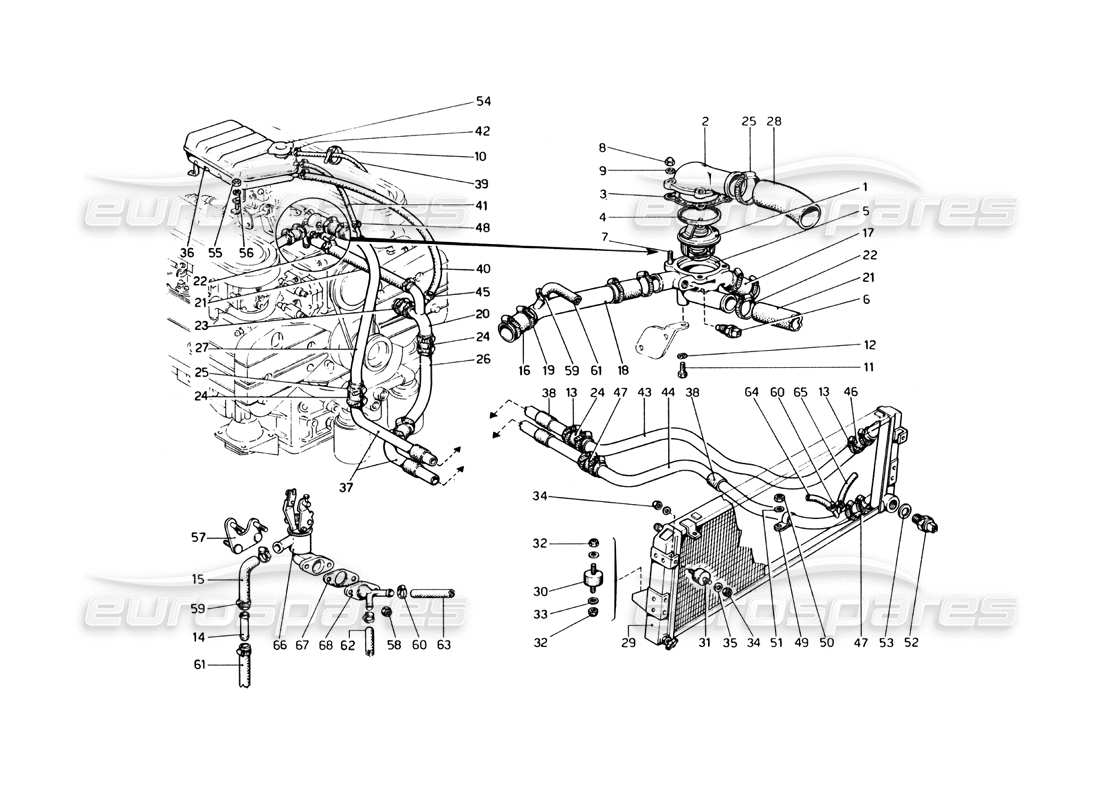
Afficher les diagrammes ![]() |
Soyez rapide : il ne reste que 3.
- Estimation de livraison : £8.89 to 94102, United KingdomCommandez dans le prochain 9 heures, 59 minutes, 34 secondes pour expédition aujourd'hui
- Eurospares Pièce approuvée
Le numéro de pièce 105817 a été trouvé dans les catalogues de pièces suivants:
Si vous avez trouvé cette pièce moins chère ailleurs et que vous souhaitez que nous essayions d'égaler le prix, veuillez nous en informer en utilisant ce formulaire.
Pour demander des photos d'une pièce, vous devez être connecté au site Web. Cliquez ici pour vous connecter ou vous inscrire.
Si vous souhaitez en savoir plus sur cette pièce afin d'être sûr qu'elle est la bonne, veuillez utiliser ce formulaire et demander ce que vous voulez savoir.
DESCRIPTION DE LA PIÈCE
Eurospares PIÈCE APPROUVÉE, ROBINET DE COMMANDE DE CHAUFFE-EAU À CONDUITE À DROITE, NUMÉRO DE PIÈCE : 105817
La référence 105817 figure sur certains schémas du catalogue de pièces de ces familles de modèles.: Ferrari 208, Ferrari 308 et Ferrari 330 and 365
Actuellement disponible sous forme: Eurospares Approved Part New (in stock), Genuine Ferrari Pièce neuve (en stock)



