Genuine
Ferrari Pièce
MPN: 29300

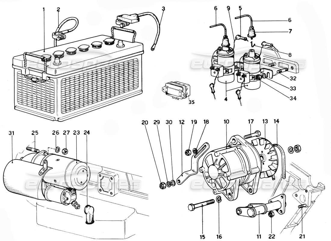
Ferrari 330 and 365 DISTRIBUTION DU FIL HT À LA BOBINE

En attente de photo de pièce
Visualisez cette partie dans le schéma ci-dessous ( #006 )
schéma de pièce contenant le numéro de pièce 29300
Renseigner
nouveau - commander (sous réserve de disponibilité)
Informations sur la pièce
  • Genuine Ferrari Pièce
Inscrivez-vous pour être averti lorsque cette pièce sera de nouveau en stock. Votre adresse e-mail peut être utilisée à des fins de marketing. Vous pouvez vous désinscrire à tout moment.
Aucune suggestion de pièce alternative disponible.

Il n'y a aucune suggestion de pièce alternative pour cette pièce pour le moment.

Le numéro de pièce 29300 a été trouvé dans les catalogues de pièces suivants:

Sélectionnez un modèle pour afficher le schéma des pièces contenant cette pièce Sélectionnez une famille de modèles pour afficher les diagrammes de pièces contenant cette pièce.

Si vous avez trouvé cette pièce moins chère ailleurs et que vous souhaitez que nous essayions d'égaler le prix, veuillez nous en informer en utilisant ce formulaire.

Si vous avez vu cet article moins cher sur Internet, copiez et collez l'adresse (le bit www. généralement en haut de votre navigateur Web) dans la case ci-dessous.

Si vous avez trouvé le prix ailleurs ou si vous ne parvenez pas à copier et coller l'adresse, veuillez nous indiquer où vous avez trouvé la pièce moins chère et entrez le prix dans la case Prix.
£
Le site Web Eurospares est protégé par Google reCAPTCHA et la politique de confidentialité et les conditions d'utilisation de Google s'appliquent.
Photos non disponibles.

Nous ne pouvons prendre des photos que des articles que nous avons actuellement en stock. Malheureusement, nous n'avons pas cet article en stock et nous ne pouvons donc pas vous en fournir une photo.

Si vous souhaitez en savoir plus sur cette pièce afin d'être sûr qu'elle est la bonne, veuillez utiliser ce formulaire et demander ce que vous voulez savoir.

Veuillez noter: Nous ne vendons pas de voitures complètes !
Le site Web Eurospares est protégé par Google reCAPTCHA et la politique de confidentialité et les conditions d'utilisation de Google s'appliquent.

DESCRIPTION DE LA PIÈCE

Genuine FERRARI PIÈCE, DISTRIBUTION DU CÂBLE HT À LA BOBINE, NUMÉRO DE PIÈCE : 29300

Partie Également Connue Sous Le Nom De:

  • CÂBLE DISTRIBUTEUR DE BOBINE
  • CAVO COLLEGAMENTO BOBINE SPINTER.

La référence 29300 figure sur certains schémas du catalogue de pièces de ces familles de modèles.: Ferrari 330 and 365

Actuellement disponible sous forme: Genuine Ferrari Part New (to order)